| Sign In | Join Free | My wneducation.com |
|
Place of Origin : CHINA Load Cell
Single Beam Load Cell-BBS
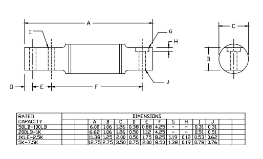
Load Cell Dimensions:

Load Cell Parameters:
| Items | UNIT | TECHNICAL DATA |
| Capacities | lb | 50,100,200,250,500 |
| Rated output | mV/V | 2 |
| Safe overload | FS | 150% |
| Excitation voltage | V | 10-20 AC/DC |
| Input resistance | OHMS | 50LB-1KSE 800±10 1KLE-7.5K 380±10 |
| Output resistance | OHMS | 50LB-1KSE 750±3 1KLE-7.5K 350±3 |
| Zero balance | FS | ±1.00% |
| Seal type | FS | ENVIRONMENTALLY SEALED |
| Non-linearity | FS | ±0.03% |
| Hysteresis | FS | ±0.03% |
| Repeatability | FS | ±0.01% |
| Creep | FS | ±0.02% |
| Compensated temperature range | ºC | -10 ~ +40 |
| Temperature effect on zero | FS/ºC | ±0.0027% |
| Temperature effect on output | FS/ºC | ±0.0015% |
| Insulation resistance | MEGOHMS | >5000 |
| Load cell cable | 4 conductor, 30 FT | |
| Load cell wiring | Green +EXC Black -EXC White +SIG Red -SIG Braid/yellow: shield |
|
|
Single Beam Load Cell IN-BBS Images |